TOTO《CW300 / SW300》分離式馬桶
11200
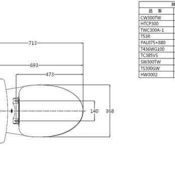
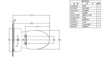
整組規格 : 寬45.6*深69.3*高76.3公分
◎尺寸測量在正負2公分皆屬正常範圍內◎
洗淨方式:洗落式
洗淨水量:大號4.8公升、小號3公升
排水距離:30.5cm
創新科技:喜貼心抗汙釉技術,TOTO創新研發,超越奈米級的陶瓷專用釉藥
在陶瓷表面形成離子隔離壁,可即時將污垢彈開難以附著
原廠全套包含 :
1 - 《CW300 / SW300》分離式馬桶(牌價 :9,500元)
2 - 《TC385VS》緩降馬桶蓋(牌價 :2,500元)
配送說明 :
以銷售商品為主,故購買商品無安裝服務
台中市(不含台中市偏遠地區)免運
台中市以外無法運送只能自取,無法自取者請勿訂購
購買前請參閱本網站之『安裝保養』以及『付款方式』的注意事項












